| Restocking Fee | No |
|---|---|
| Return shipping will be paid by | Buyer |
| All returns accepted | Returns Accepted |
| Item must be returned within | 30 Days |
| Refund will be given as | Money Back |
| Country/Region of Manufacture | United States |
| Item Type | Manual |
| MPN | Does Not Apply |
| Subject | Metal Cutting |
| Brand | Victor |
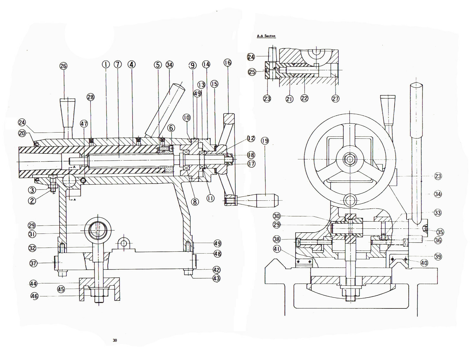
Check the listing for details. Victor Lathes Models 1640, 1660, 1680 Operation & Parts List Manual #1397. Condition: New – Open box. Listed at 50.00 USD. Victor 1640, 1660, 1680 Lathes Operating & Parts Manual Type of Manual: Operation & Parts For Models: 1640, 1660, 1680, Description: This manual covers the Victor 16" Lathes models listed above. It covers Installation, Operation, Threadcutting, Maintenance, and it also includes Sectional Parts View and Parts List. The manual has about 82 pages including 14 pages of foldouts. To view the Table of Contents, to inspect the quality of the manual, and to view select pages, please click on the gallery images above. Includes sections on:Description of ControlsInstallationPower Security ControlPreparation for OperationChange Gear SystemFeed SelectionManual & Automatic FeedThread CuttingInch Thread SystemMetric Thread SystemMoudle D.P. Thread CuttingMaintenanceLubricationAdjustmentsBelt Tension Main Spindle Bearing AdjustmentsTroubleshooting ChartSectional Parts Assembly ViewsParts Lists Number of Pages: Approx. 82 Publication Date: N/A Publication No.: N/A Added Notes: Due to others making copies of these for resale, I have added a light watermark to select pages to discourage this practice. About this manual: This is a high quality reproduction manual which has been scanned with a high resolution scanner. Each page is then digitally edited in Photoshop to remove grease marks, fingerprints, writing, and other imperfections that the original manual may have had. It is then printed on 24 lb heavy paper and 65 lb cardstock for the covers with a 600 DPI LaserJet printer. The result is a clean and durable manual which many times is better than the original and should last many years in your shop. Ships USPS First Class Free unless otherwise stated or Upgrade to Priority Mail for faster delivery. Sales Tax Charged for Kansas Sales See my for more manuals.